school
根据学校相思湖校区平安校园建设——南门道闸门禁系统项目采购工作需要,现拟对相思湖校区平安校园建设——南门道闸门禁系统项目公开进行参数及价格的征集,诚邀符合条件的生产企业或供应商前来报名参与。
一、项目概况
南宁市卫生学校为实现车辆车牌自动识别、人员权限分级管理、进出记录全程可查、应急远程管控,提升校园安全防范标准化、智能化水平,保障师生人身与校园财产安全,经学校研究决定,实施相思湖校区南门新增车辆道闸及门禁系统项目。
二、项目需求及控制价

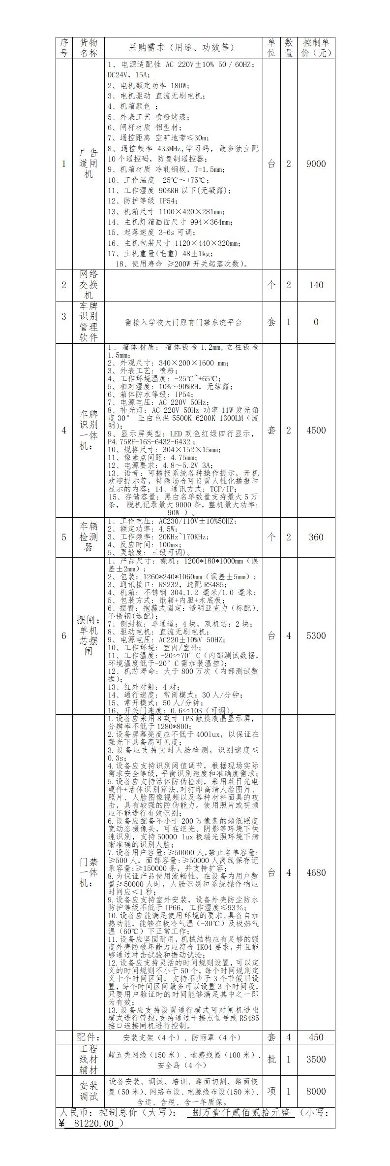
本项目控制总价:81220.00元。
三、需提交的材料
参与征集的供应商需按以下顺序准备并提交材料(格式自拟):
1.有效的营业执照复印件(需加盖公章)。
2.项目需求及报价方案(具体明细详见附件,单项报价不能超过项目控制单价,总价不能超过项目控制总价)。
四、参与征集单位资格要求
1.国内注册(指按国家有关规定要求注册的),依法能提供本次项目服务的供应商。
2.本项目资格要求:满足《中华人民共和国政府采购法》第二十二条规定。
3.不接受联合体提交材料。
五、公告时间及提交方式
公告期限为本公告发布之日起 5 个工作日。请意向单位于2026年3月30日上午9:00前将所需提供的征集材料一式3份装入档案袋封密,并在密封袋四周盖章,档案袋上注明项目名称、报名单位、联系人、联系方式并加盖单位公章,报送至南宁市西乡塘区罗文大道16号南宁市卫生学校,如邮寄请联系后勤保障科(安全保卫科),联系人:李乾阳,联系电话:0771-3370620。请将报价方案电子版于公告期限截止前发送至邮箱:nnswxhqbzk@163.com。
备注:除营业执照复印件、相关资质证书复印件外,报价方案不能出现报名公司名称,否则作无效处理。
六、其他说明
1.本次市场征集仅为我校了解市场情况、收集信息之用,不构成任何采购承诺,不作为后续招标、谈判或询价的唯一依据。我校无需对所有提交材料的供应商作出回应。
2.所提交材料恕不退还,我校承诺对商业信息予以保密。
3.供应商应对所提供资料的真实性、合法性承担法律责任。如发现虚假信息,将取消其参与资格。
4.在征集期间,我校可能根据项目需要要求供应商进行补充说明,敬请配合。
5.未按要求提交资料或超期者视为自动放弃。
六、对本次公告提出询问,请按以下方式联系:
项目归口管理部门后勤保障科(安全保卫科),联系人:李乾阳,联系电话:0771-3370620。联系地址:南宁市西乡塘区罗文大道16号南宁市卫生学校
附件:南宁市卫生学校关于相思湖校区平安校园建设——南门道闸门禁系统项目参数及价格公开征集公告(货物类).docx
南宁市卫生学校
2026年3月20日